在绘制一幅新图之前应根据所绘制图形大小,确定绘图比例和图形尺寸,建立或调用符合国家制图标准的样板文件。绘图应尽量采用1:1比例,如需绘制其他比例图样,通常先按1:1比例绘制图形,然后使用缩放命令将所绘图形缩放到所需比例,再讲缩放后图形移至样板图中。
如果没有所需样板文件,则应先设置绘图环境。设置包括绘图界限、单位 、图层、文字样式、尺寸样式等内容。
这里选择A3图纸,全局线型比例1:1。
1.建立样板文件
具体操作步骤如下:
(1)设置图层,见表1。
(2)设置文本样式:
工程字:字体gbenor.shx、gbcbig.shx,其他选项默认
(3)设置标注样式:
标注2.5:文字样式选用“工程字”,文字高度2.5,箭头1.5,文字对齐方向为与尺寸线对齐,其他选项默认。
(4)绘制图框,并创建为块,命名为:“图框与标题栏”。
(5)建立的元件块。
(6)将设置好的文件保存为样板文件“电路样板”。
| 图层名 | 颜色 | 线型 | 线宽 |
| 主电路 | 黑色 | Continuous | 0.3mm |
| 控制电路 | 黑色 | Continuous | 0.3mm |
| 元件文字 | 黑色 | Continuous | 默认 |
| 导线 | 黑色 | Continuous | 0.3mm |
| 辅助线 | 棕色(15) | Continuous | 默认 |
| 文字 | 黑色 | Continuous | 默认 |
| 标注 | 蓝色 | Continuous | 默认 |
2.创建图块
创建时间继电器通电延时线圈块、延时闭合的常闭触头块、延时闭合的常开触头块,如图2所示。

图2
3.新建文件
选择新建文件命令,系统弹出“选择样板”对话框,如图3所示,在该对话框中选择需要的样板文件。双击“电路样板”文件,创建新文件,将新文件另存为“三相异步电动机星角启动控制线路电气原理图”。

图3
4.画辅助线
在辅助线图层画辅助线,如图4所示,横线辅助线位置根据控制电路位置大约画出即可。

图4
5.插入电气元件块
在主电路图层、控制电路图层适当位置插入电气元件块,如图5所示。由于控制电路是以垂直方向绘制的,在插入三相开关和熔断器图块时需要将图块旋转90°。
从图形美观角度出发,注意利用对象捕捉功能布置元件的位置摆放,并根据需要调整块的位置。

图5
6.添加连接线
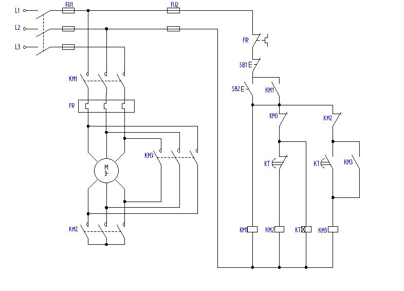
在导线图层添加主电路和控制电路的连接线,添加交叉导线连接点,关闭辅助线层,效果如图6所示。

图6
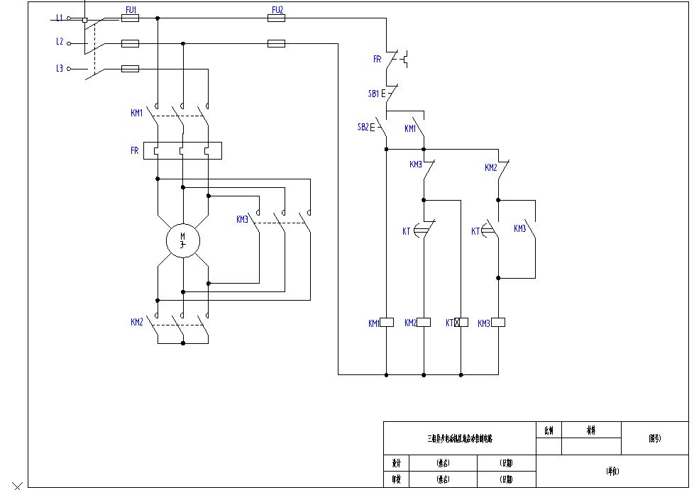
7.添加标注
在文字图层添加元件标注,效果如图7所示。可先写好“QS”,然后将此文字复制粘贴到其他元件附件,全部复制粘贴后,统一修改文字。

图7
8.放入图框
将绘制好的 “三相异步电动机星角启动控制线路原理图”放置到A3图框中。如图8所示。

图8